产品中心
主要特点:
可视化激光气体在线监测系统集图像和气体分析为一体的新型遥测仪器,属户外使用型产品。遥测仪采用高性能大光面光敏遥测仪和高清视频及微控制技术,结合精良SMD工艺制造而成,具有良好的重复性和温湿度特性,以及使用寿命长、操作方便等优点。以及使用寿命长、操作方便等优点。该遥测仪广泛应用于天然气门站及储存站,石油、石化行业的炼油厂、化工厂、冶金行业、电力行业等可能产生对人体有害气体场所的气体检测。本产品具有覆盖范围广,响应速度快,能够检测传统点型探测器因安装、风向等原因造成的遗漏或未探测到的气体泄漏等优点。特性说明:
●采用光学吸收法,遥测气体泄漏,无需接触。
●遥测距离远,最远能达到150m。
●响应速度快,灵敏度高,只对目标气体有反应,抗其它气体或水气等干扰能力强。
●测量精度高,性能稳定,使用寿命长。
● 360度连续旋转,支持巡航、线扫、预置位、看守位等。
● 30倍光学变焦,最大150米红外夜视距离。
技术参数:
|
传感器 |
|
|
测量气体 |
甲烷 |
|
测量量程 |
0~50000PPM·M |
|
报警值 |
100PPM·M(出厂默认设置) |
|
检测原理 |
激光光谱吸收技术 |
|
响应时间 |
T90≤1s |
|
遥测距离 |
≥100m |
|
视频采集 |
|
|
光学变倍 |
20倍 |
|
焦距 |
电动变焦,5.5~110mm |
|
光圈 |
固定光圈,F1.7(W)-F2.8(T) |
|
快门 |
自动/手动,1~1/100000s |
|
透雾 |
自适应透雾 |
|
最低照度 |
0.002lux (F1.7,50IRE,彩色) |
|
0.001lux(F1.7,50IRE,黑白) |
|
|
视频编码 |
H.265、H.264、MJPEG |
|
编码制式 |
2304*1296@30、 2304*1296@25、1920*1080@30、1920*1080@25 |
|
视频流 |
主码流:2304*1296、1280*720、720*576(D1)、640*360 |
|
辅码流:1280*720、720*576(D1)、640*360 |
|
|
第三流:720*576(D1)、640*360、704*288(2CIF)、352*288(CIF) |
|
|
视频码率 |
128Kbps~16Mbps |
|
隐私遮盖 |
黑色样式:单场景最多显示4个 |
|
人脸检测 |
最多可同时检测8个人脸目标 |
|
周界布防 |
越界检测、区域入侵、进入区域、离开区域; |
|
支持机动车、非机动车、行人目标分类检测抓拍及布防; |
|
|
网络 |
|
|
网络协议 |
L2TP、IPv4、IGMP、ICMP、ARP、TCP、UDP、DHCP、RTP、RTSP、DNS、DDNS、 |
|
NTP、FTP、UPnP、HTTP、SNMP、SIP |
|
|
兼容接入 |
ONVIF Profile G, Profile T, Profile S、GB/T28181、IMOS、GA/T 1400、API |
|
云台功能 |
|
|
旋转角度 |
水平0°~360°(连续旋转),垂直-90°~+90° |
|
旋转速度 |
水平0.1°/s~40°/s,垂直0.1°/s~40°/s |
|
通讯接口 |
1个RJ45 10M/100M自适以太网口 |
|
固定方式 |
立柱式 |
|
壳体材质 |
不锈钢 |
|
防爆方式 |
隔爆型 |
|
防护等级 |
IP66/67 |
|
防爆标志 |
Ex d ⅡC T6 Gb |
|
电气接口 |
NPT3/4(F) |
|
相对湿度 |
Ex tD A21 IP66/67 T80℃ |
|
大气压力 |
海拔高度不超过1000米 |
|
工作温度 |
-40℃~+60℃ |
|
重量 |
20KG |
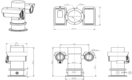
产品尺寸:

应用场合:
然气门站及储存站,石油、石化行业的炼油厂、化工厂、冶金行业、电力行业等可能产生对人体有害气体场所的气体检测。

中文
English
内容编辑
